人氣:6214 發表時間:2021-05-13 09:39:11
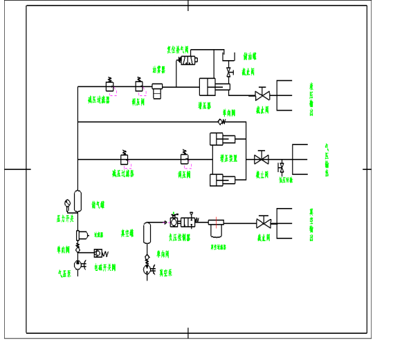
SPMK991T智能私服壓力源的氣壓介質的工作原理如下圖氣壓輸出部分所示。主要特點是電動造壓,電控限壓,伺服調壓。

利用壓縮機實現電動造壓,出口接一個儲氣罐,儲存氣壓能量,經過高精度伺服調壓閥調節壓力,進口增壓裝置增壓以達到高壓氣體的輸出。可實現多次由高點到低點的檢測。壓力控制器自動控制壓縮機,按下電源開關即可。
壓力控制器可設定壓力值,用以自動控制氣源壓力最大值(壓縮機停止壓力)以及壓縮機啟動壓力值。
氣壓壓力由進口伺服調壓閥控制,順時針升壓,逆時針降壓。
400-058-2226
sales@cspmk.com
北京市海淀區西三旗金燕龍大廈6層

ICP備案號:京ICP備05083779號-1